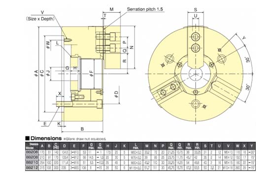
BB-200 Series

This series of power chuck from Kitagawa (Japan) is suited to machine tools with larger through hole capacity of the spindle


Product Data


Part Number: BB-200 Series Category:

Description

Varying sizes available to suit your unique work requirements.