Description
Varying sizes available to suit your work requirements and specific machine sizes.
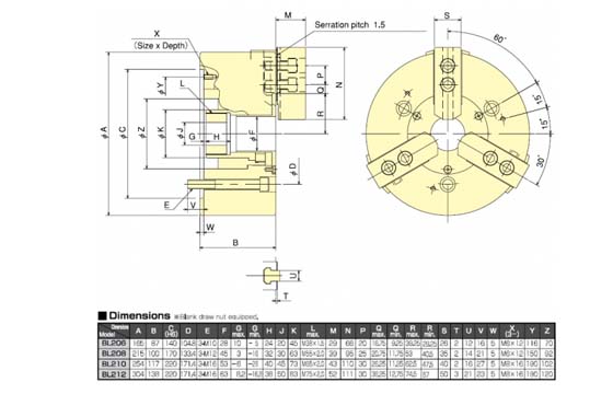
+61 3 9771 6121The BL200 series have an extra long jaw stroke and the flange work is securely gripped. There are options to equip a chuck adapter to suit a Spindle Nose.
They have an extra long Jaw stoke and the Flange Work is securely gripped.
Varying sizes available to suit your work requirements and specific machine sizes.





