Description
Varying sizes available to suit your unique work requirements.
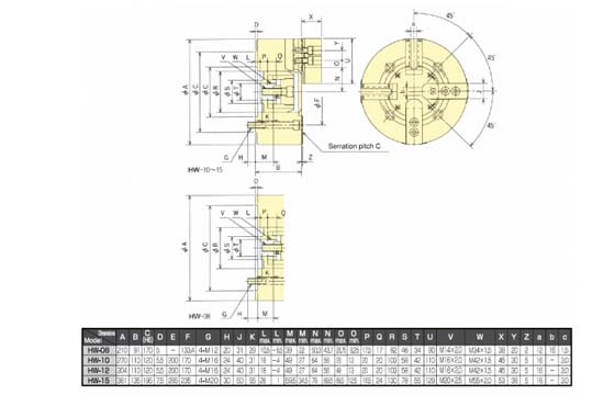
+61 3 9771 6121The HW Series 4-Jaw lever type Power Chucks have a closed center, staidly grip block, oval and irregular shaped work and have a self centering mechanism.
Varying sizes available to suit your unique work requirements.





